
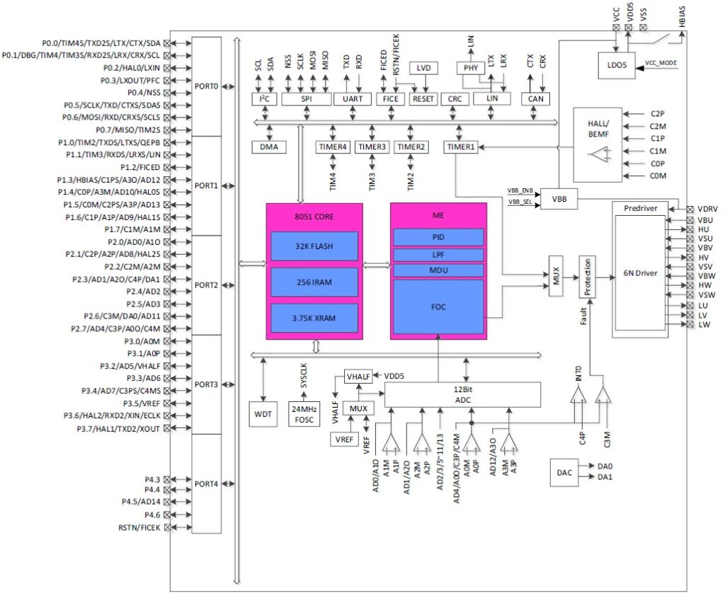
Die High Frequency Injection-Technologie ermöglicht die präzise Bestimmung der Rotorposition mithilfe von Hochfrequenzsignalen, selbst bei sehr geringer oder keiner Bewegung. Das bedeutet:
Dank dieser Funktion eignet sich der FU6866 besonders für drehmomentkritische Anwendungen beim Anfahren, für Systeme mit häufigem Wechsel zwischen Stillstand und Bewegung sowie für kompakte Motorsteuerungslösungen, bei denen zusätzliche Sensoren unpraktisch sind.

Die Kombination aus fortschrittlicher Steuerungstechnologie, HFI-Fähigkeit und hoher Integration macht den FU6866 zu einer leistungsstarken Alternative zu herkömmlichen Motorsteuerungslösungen.

Mit der Erweiterung des Fortior-Portfolios um den FU6866 stärkt MEV Elektronik seine Position als Komplettanbieter für moderne Motorsteuerungslösungen. Kunden profitieren von:
“Der Fortior FU6866 eröffnet neue Möglichkeiten für die Steuerung von BLDC-Motoren“, erklärt Guido Gandolfo, Product Line Manager bei MEV. “Dank HFI kann die Rotorposition auch bei extrem niedrigen Drehzahlen gemessen werden – ohne zusätzliche Sensoren. Das bedeutet höhere Effizienz, kompaktere Bauweise und Kosteneinsparungen.“
Der Fortior FU6866 ist ab sofort erhältlich. MEV bietet Muster, Design-Kits und umfassenden Support für erste Tests und die Integration an. Mit dieser Erweiterung unterstreicht MEV seinen Anspruch, konsequent Spitzentechnologien in sein Portfolio zu integrieren und Kundenlösungen mit echten Wettbewerbsvorteilen zu ermöglichen.
Der FU6866 wird auf der SPS-Messe in Nürnberg (25. bis 27. November 2025) am MEV-Stand 174 in Halle 4 präsentiert. Fachleute vom Hersteller Fortior sind vor Ort. Gerne können Sie vorab einen Termin buchen.

Fortior Technology (Shenzhen) Co., Ltd. ist ein führender Anbieter von integrierten Schaltungen und Systemlösungen für Motorsteuerung, Antriebstechnik und Leistungselektronik. Das Unternehmen entwickelt und fertigt hochwertige Motorsteuerungs-ICs, Gate-Treiber, digitale Signalcontroller und ASICs für Anwendungen in Industrie, Automatisierung, Haushaltsgeräten, Elektrowerkzeugen und der Automobilindustrie.
Mit Fokus auf Effizienz, Präzision und Integration bietet Fortior maßgeschneiderte Lösungen für BLDC-, PMSM-, Servo- und Schrittmotoranwendungen. Die Produkte zeichnen sich durch hohe Zuverlässigkeit, robuste Schutzmechanismen und herausragende Steuerungsleistung aus und werden von führenden OEMs weltweit eingesetzt.
Wenn Sie mehr über den FU6866 von Fortior wissen möchten, kontaktieren Sie bitte:
Guido Gandolfo
Product Line Manager
Motion Control
+49 5424 2340-57
ggandolfo@mev-elektronik.com